Jiangsu Gongtang Chemical Equipments Co., Ltd. Jiangsu Gongtang
  • 
  • 홈
  • 회사 소개+
    • 기업 개요
    • 회사 둘러보기
    • 인증서
    • 전시회
  • 제품+
  • 서비스 지원
  • 산업
  • 사례
  • 문의, 연락처
  • 동영상
  • 홈
  • 제품
  • 유리 라이닝 저장 탱크
  • 수직 유리 라이닝 저장 탱크, 폐쇄형
수직 유리 라이닝 저장 탱크,  폐쇄형
  • 수직 유리 라이닝 저장 탱크,  폐쇄형
  • 수직 유리 라이닝 저장 탱크,  폐쇄형
    지지 다리가 높은 유리 라이닝 탱크
  • 수직 유리 라이닝 저장 탱크,  폐쇄형
    가드레일이 있는 대형 120000L 유리 라이닝 저장 탱크

수직 유리 라이닝 저장 탱크, 폐쇄형

용기 본체에 커버가 영구적으로 용접된 내식성 저장 용기

폐쇄형 수직 유리 라이닝 저장 탱크는 50L에서 200,000L 사이로 제공됩니다. 특정 프로젝트 요구 사항을 충족하기 위해 비표준 설계도 제작할 수 있습니다.

견적 요청, 문의

이러한 저장 용기의 전반적인 성능은 외부 품질과 내부 품질 모두에 따라 달라집니다. 외부 품질은 육안 검사 및 기기 테스트를 통해 평가할 수 있으며, 내부 품질은 성형, 용접 및 표면 처리의 정확도와 각 생산 단계를 얼마나 엄격하게 제어하느냐에 따라 결정됩니다.

눈에 보이거나 미세한 결함은 운송, 보관 또는 작동 중에 나타날 수 있으며, 이는 장비 고장으로 이어질 수 있습니다. 탱크의 신뢰성은 성형, 용접 또는 표면 처리 등 모든 생산 단계를 제어하는 데 달려 있습니다.

이 탱크는 고품질 에나멜 코팅을 사용하여 내구성을 높이며 강철의 강도와 유리의 보호 특성을 결합합니다. 생산 단계마다 철저한 관리를 통해 품질을 일관되게 유지하고 장비의 수명을 연장할 수 있습니다

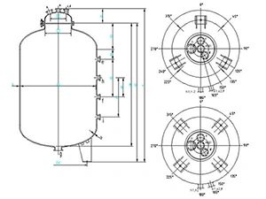
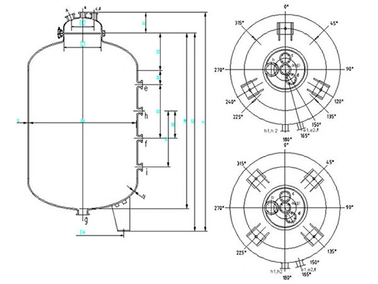
치수 도면
치수 도면
폐쇄형 유리 라이닝 저장 탱크의 크기
정격 용량 VN/L DN D1 D2 D3 D4 H H1 H2 H3 H4 H5 H6 H7 H8 S
3000 1600 600 420 30 1200 2740 300 2422 550 115 1000 / / 2220 16
5000 1600 600 420 30 1200 3720 305 3400 520 130 1200 460 1200 3160 16
6300 1750 600 420 30 1225 3924 310 3604 580 130 1200 424 1200 3304 18
8000 2000 700 490 36 1500 3880 340 3520 630 150 1100 500 1100 3280 20
10000 2200 700 490 36 1520 4053 340 3703 692 150 1200 600 1200 3392 20
20000 2600 700 490 36 1820 5540 340 5200 665 150 1800 600 1800 4605 24
30000 2800 700 490 36 1960 6090 340 5750 710 150 1800 600 1800 5510 26
40000 3200 800 480 36 2400 6870 386 6474 965 150 2200 500 2200 6125 28
50000 3400 800 480 36 2720 7500 386 7124 975 150 2600 570 2600 6630 32
노즐 사양 (mm)
정격 용량 VN/L a b c d e1-2 h1-2 g
3000 125 65 65 65 65 65 125
5000 125 65 65 65 65 65 125
6300 125 65 65 65 65 65 125
8000 125 80 65 65 80 80 125
10000 125 80 65 65 80 80 125
20000 300×400 100 100 125 100 100 125
30000 300×400 100 100 125 125 125 125
40000 125 150 100 100 125 125 200
50000 125 150 100 100 125 125 200

유리 라이닝 장비용 액세서리도 제공합니다.

유리라이닝 장비에 대한 기술 지원이 필요하신가요?

저희 엔지니어들은 화학, 제약, 산업 응용 분야를 위한 내식성 유리 라이닝 반응기, 탱크 및 맞춤형 공정 장비에 대한 전문적인 기술을 제공합니다.

  • 관련제품
  • 그외 다른 제품
수직형 유리 라이닝 저장 탱크, 개방형
수직형 유리 라이닝 저장 탱크, 개방형
수직 유리 라이닝 저장 탱크,  폐쇄형
수직 유리 라이닝 저장 탱크, 폐쇄형
수평 유리 라이닝 저장 탱크
수평 유리 라이닝 저장 탱크
유리 라이닝 기둥
유리 라이닝 기둥
유리 라이닝 열교환기
유리 라이닝 열교환기
유리 라이닝 이중 뿔 건조기
유리 라이닝 이중 뿔 건조기
더 보기

유리 라이닝 저장 탱크는 어떤 종류의 매체를 처리할 수 있으며, 어떤 물질이 적합하지 않나요?

이 탱크는 다양한 농도의 무기산, 유기산, 유기용제, 약알칼리로 인한 부식을 견딜 수 있습니다. 하지만 강알칼리, 불산, 플루오르 함유 매체, 또는 180°C 이상의 온도에서 30%를 초과하는 인산을 저장하는 데에는 적합하지 않습니다.

어떤 종류의 유리 라이닝 저장탱크가 있으며, 맞춤 제작 지원이 가능한가요?

사용 가능한 옵션에는 다양한 크기의 수평형 탱크, 개방형 수직 탱크, 폐쇄형 수직 탱크가 있습니다. 비표준 장비도 특정 프로젝트 요구 사항을 충족하도록 설계 및 제작할 수 있습니다.

개방형 수직 유리라이닝 탱크에는 어떤 재료가 사용되나요?

이 저장 탱크는 내부 유리 라이닝이 있는 강철로 만들어졌습니다. 강철은 강도와 강성을 제공하고 유리는 내식성을 제공합니다. 또한 라이닝은 화학적으로 안정적이고 중간 정도의 내열성을 가지며 청소하기 쉬운 매끄러운 표면을 만들어냅니다

수직형 유리 라이닝 탱크의 외부 및 내부 품질은 어떻게 평가됩나요?

외부 품질은 표면 결함 여부를 확인하기위해 육안 검사와 시험 장비를 통해 평가됩니다 . 내부 품질은 적절한 성형, 용접, 표면 처리와 같은 일부 제작 요소와 제조 과정의 각 단계에서 엄격한 품질 관리에 따라 결정됩니다

수평형 유리 라이닝 저장 탱크에는 어떤 옵션이 있습니까?

선택할 수 있는 옵션이 여러 가지 있습니다. 일부 탱크는 대형 측면 개구부와 하프파이프 코일 재킷이 장착되어 있으며, 플랫폼, 난간, 사다리를 추가하여 접근성을 높일 수 있습니다. 또 다른 탱크는 가열 증발기가 장착되어 있어, 온도 제어가 필요한 작업에 적합합니다.

Jiangsu Gongtang Chemical Equipments Co., Ltd. Jiangsu Gongtang
유리 라이닝 장비 제조업체
바로가기
  • 회사 소개
  • 회사 둘러보기
  • 인증서
  • 전시회
  • 서비스 지원
  • 프로젝트 사례
  • 동영상
제품
  • 유리 라이닝 반응기
  • 유리 라이닝 저장 탱크
  • 유리 라이닝 기둥
  • 유리 라이닝 열교환기
  • 유리 라이닝 이중 뿔 건조기
  • 부속 장치
  • 통합 프로세스 시스템
문의, 연락처
chrisz.jsjjgt@outlook.com
+86-523-89110022
+86-15861003636